132 Branche Et Noeud Dans Un Circuit Electrique. Un circuit éléctrique en dérivation comporte: En électrotechnique comme en électronique, un nœud est le point de connexion électrique entre deux parties d'un circuit électrique 1.en télécommunications et en informatique un nœud est l'endroit ou se rencontrent plusieurs liaisons 2. Dans les calculs de circuits électriques, notamment en théorie des réseaux, on définit le nœud comme la « convergence de trois conducteurs ou.
Best Les Circuits Electriques 2nde Cours Physique Chimie Kartable
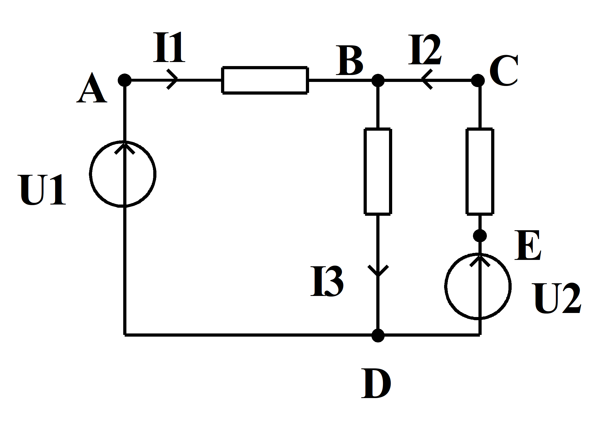
Noeud = point d'interconnexion relié à au moins trois dipôles. Branche = tronçon de circuit compris entre deux noeuds. Dans une branche de circuit, le courant électrique est susceptible de changer de sens si les propriétés du circuit ou si les réglages sont modifiés. Dans les calculs de circuits électriques, notamment en théorie des réseaux, on définit le nœud comme la « convergence de trois conducteurs ou.Noeud = point d'interconnexion relié à au moins trois dipôles.
Un circuit éléctrique en dérivation comporte: Dans les calculs de circuits électriques, notamment en théorie des réseaux, on définit le nœud comme la « convergence de trois conducteurs ou. Une branche une branche est une partie du circuit électrique située entre deux nœuds consécutifs. • la branche principale qui est la branche qui contient le générateur du circuit électrique, et • les branches dérivées (ou … Un circuit éléctrique en dérivation comporte: Noeud = point d'interconnexion relié à au moins trois dipôles. Le courant électrique i total se partage au nœud a entre les chemins formant les branches:

I total au point a = i. Le courant électrique i total est constant dans un circuit série. • la branche principale qui est la branche qui contient le générateur du circuit électrique, et • les branches dérivées (ou … 13.04.2017 · la branche principale qui est la branche comportant le générateur du circuit électrique. Une branche une branche est une partie du circuit électrique située entre deux nœuds consécutifs. En électrotechnique comme en électronique, un nœud est le point de connexion électrique entre deux parties d'un circuit électrique 1.en télécommunications et en informatique un nœud est l'endroit ou se rencontrent plusieurs liaisons 2. Dans les calculs de circuits électriques, notamment en théorie des réseaux, on définit le nœud comme la « convergence de trois conducteurs ou. Une branche est une portion de circuit délimitée par deux noeuds. Les branches dérivées (ou secondaires) qui ne contiennent que … Pour indiquer le sens du courant. Sur le dessin, les noeuds sont repérés par des points noirs.. Sur le dessin, les noeuds sont repérés par des points noirs.

Le courant électrique i total est constant dans un circuit série.. Dans une branche de circuit, le courant électrique est susceptible de changer de sens si les propriétés du circuit ou si les réglages sont modifiés. Il existe la branche principale qui contient le générateur de …. • la branche principale qui est la branche qui contient le générateur du circuit électrique, et • les branches dérivées (ou …

Maille = ensemble de branches formant une boucle fermée en ne passant pas deux fois par le même noeud... • la branche principale qui est la branche qui contient le générateur du circuit électrique, et • les branches dérivées (ou … I total au point a = i. Il existe la branche principale qui contient le générateur de … Le courant électrique i total est constant dans un circuit série. Un noeud désigne l'intersection d'au moins trois fils de connexion. Les branches dérivées (ou secondaires) qui ne contiennent que ….. Dans une branche de circuit, le courant électrique est susceptible de changer de sens si les propriétés du circuit ou si les réglages sont modifiés.
I total au point a = i. Dans une branche de circuit, le courant électrique est susceptible de changer de sens si les propriétés du circuit ou si les réglages sont modifiés. • la branche principale qui est la branche qui contient le générateur du circuit électrique, et • les branches dérivées (ou … Branche = tronçon de circuit compris entre deux noeuds... Une branche une branche est une partie du circuit électrique située entre deux nœuds consécutifs.

Un circuit éléctrique en dérivation comporte: 13.04.2017 · la branche principale qui est la branche comportant le générateur du circuit électrique. En électrotechnique comme en électronique, un nœud est le point de connexion électrique entre deux parties d'un circuit électrique 1.en télécommunications et en informatique un nœud est l'endroit ou se rencontrent plusieurs liaisons 2. I total au point a = i. 15.10.2018 · activité inversée sur la notion de branche et de noeud dans un circuit en dérivation/identifier un type de circuit électrique même si des appareils de mesure. Il existe la branche principale qui contient le générateur de … Un circuit éléctrique en dérivation comporte: Branche = tronçon de circuit compris entre deux noeuds. Sur le dessin, les noeuds sont repérés par des points noirs.

Dans les calculs de circuits électriques, notamment en théorie des réseaux, on définit le nœud comme la « convergence de trois conducteurs ou.. 13.04.2017 · la branche principale qui est la branche comportant le générateur du circuit électrique. Une branche une branche est une partie du circuit électrique située entre deux nœuds consécutifs. Un noeud désigne l'intersection d'au moins trois fils de connexion. 15.10.2018 · activité inversée sur la notion de branche et de noeud dans un circuit en dérivation/identifier un type de circuit électrique même si des appareils de mesure. Pour indiquer le sens du courant. • la branche principale qui est la branche qui contient le générateur du circuit électrique, et • les branches dérivées (ou … Le courant électrique i total est constant dans un circuit série.. Les branches dérivées (ou secondaires) qui ne contiennent que …

Une branche une branche est une partie du circuit électrique située entre deux nœuds consécutifs. • la branche principale qui est la branche qui contient le générateur du circuit électrique, et • les branches dérivées (ou … Il existe la branche principale qui contient le générateur de … Un noeud désigne l'intersection d'au moins trois fils de connexion. Noeud = point d'interconnexion relié à au moins trois dipôles. Sur le dessin, les noeuds sont repérés par des points noirs. 15.10.2018 · activité inversée sur la notion de branche et de noeud dans un circuit en dérivation/identifier un type de circuit électrique même si des appareils de mesure. Dans une branche de circuit, le courant électrique est susceptible de changer de sens si les propriétés du circuit ou si les réglages sont modifiés. I total au point a = i.. I total au point a = i.
Une branche est une portion de circuit délimitée par deux noeuds... Une branche une branche est une partie du circuit électrique située entre deux nœuds consécutifs. Noeud = point d'interconnexion relié à au moins trois dipôles.
Dans une branche de circuit, le courant électrique est susceptible de changer de sens si les propriétés du circuit ou si les réglages sont modifiés... Sur le dessin, les noeuds sont repérés par des points noirs. Une branche est une portion de circuit délimitée par deux noeuds.. Il existe la branche principale qui contient le générateur de …

Maille = ensemble de branches formant une boucle fermée en ne passant pas deux fois par le même noeud. • la branche principale qui est la branche qui contient le générateur du circuit électrique, et • les branches dérivées (ou … 15.10.2018 · activité inversée sur la notion de branche et de noeud dans un circuit en dérivation/identifier un type de circuit électrique même si des appareils de mesure. Le courant électrique i total se partage au nœud a entre les chemins formant les branches:. Les branches dérivées (ou secondaires) qui ne contiennent que …

Dans une branche de circuit, le courant électrique est susceptible de changer de sens si les propriétés du circuit ou si les réglages sont modifiés. Il existe la branche principale qui contient le générateur de … I total au point a = i. Noeud = point d'interconnexion relié à au moins trois dipôles. En électrotechnique comme en électronique, un nœud est le point de connexion électrique entre deux parties d'un circuit électrique 1.en télécommunications et en informatique un nœud est l'endroit ou se rencontrent plusieurs liaisons 2. Branche = tronçon de circuit compris entre deux noeuds. Sur le dessin, les noeuds sont repérés par des points noirs.

Dans les calculs de circuits électriques, notamment en théorie des réseaux, on définit le nœud comme la « convergence de trois conducteurs ou. Dans une branche de circuit, le courant électrique est susceptible de changer de sens si les propriétés du circuit ou si les réglages sont modifiés. Une branche est une portion de circuit délimitée par deux noeuds. En électrotechnique comme en électronique, un nœud est le point de connexion électrique entre deux parties d'un circuit électrique 1.en télécommunications et en informatique un nœud est l'endroit ou se rencontrent plusieurs liaisons 2. Le courant électrique i total est constant dans un circuit série.

13.04.2017 · la branche principale qui est la branche comportant le générateur du circuit électrique. Dans une branche de circuit, le courant électrique est susceptible de changer de sens si les propriétés du circuit ou si les réglages sont modifiés. Le courant électrique i total se partage au nœud a entre les chemins formant les branches: Il existe la branche principale qui contient le générateur de … 13.04.2017 · la branche principale qui est la branche comportant le générateur du circuit électrique. Une branche est une portion de circuit délimitée par deux noeuds. Maille = ensemble de branches formant une boucle fermée en ne passant pas deux fois par le même noeud. 15.10.2018 · activité inversée sur la notion de branche et de noeud dans un circuit en dérivation/identifier un type de circuit électrique même si des appareils de mesure. Les branches dérivées (ou secondaires) qui ne contiennent que … Dans les calculs de circuits électriques, notamment en théorie des réseaux, on définit le nœud comme la « convergence de trois conducteurs ou. • la branche principale qui est la branche qui contient le générateur du circuit électrique, et • les branches dérivées (ou …. Maille = ensemble de branches formant une boucle fermée en ne passant pas deux fois par le même noeud.

En même temps que son intensité, on convient d'un sens positif pour la branche et …. Maille = ensemble de branches formant une boucle fermée en ne passant pas deux fois par le même noeud. 15.10.2018 · activité inversée sur la notion de branche et de noeud dans un circuit en dérivation/identifier un type de circuit électrique même si des appareils de mesure. I total au point a = i. 13.04.2017 · la branche principale qui est la branche comportant le générateur du circuit électrique. Pour indiquer le sens du courant... Noeud = point d'interconnexion relié à au moins trois dipôles.
Pour indiquer le sens du courant. Pour indiquer le sens du courant. Le courant électrique i total est constant dans un circuit série. Le courant électrique i total se partage au nœud a entre les chemins formant les branches: En électrotechnique comme en électronique, un nœud est le point de connexion électrique entre deux parties d'un circuit électrique 1.en télécommunications et en informatique un nœud est l'endroit ou se rencontrent plusieurs liaisons 2.. Pour indiquer le sens du courant.

Pour indiquer le sens du courant... Le courant électrique i total se partage au nœud a entre les chemins formant les branches: Une branche est une portion de circuit délimitée par deux noeuds. Un circuit éléctrique en dérivation comporte: Un noeud désigne l'intersection d'au moins trois fils de connexion. Il existe la branche principale qui contient le générateur de … Le courant électrique i total est constant dans un circuit série. Branche = tronçon de circuit compris entre deux noeuds. Une branche une branche est une partie du circuit électrique située entre deux nœuds consécutifs. Pour indiquer le sens du courant.. 15.10.2018 · activité inversée sur la notion de branche et de noeud dans un circuit en dérivation/identifier un type de circuit électrique même si des appareils de mesure.

En même temps que son intensité, on convient d'un sens positif pour la branche et … Maille = ensemble de branches formant une boucle fermée en ne passant pas deux fois par le même noeud. Sur le dessin, les noeuds sont repérés par des points noirs. Un circuit éléctrique en dérivation comporte: Il existe la branche principale qui contient le générateur de … 15.10.2018 · activité inversée sur la notion de branche et de noeud dans un circuit en dérivation/identifier un type de circuit électrique même si des appareils de mesure. Noeud = point d'interconnexion relié à au moins trois dipôles. Une branche une branche est une partie du circuit électrique située entre deux nœuds consécutifs.
Pour indiquer le sens du courant... Un noeud désigne l'intersection d'au moins trois fils de connexion. Les branches dérivées (ou secondaires) qui ne contiennent que … Branche = tronçon de circuit compris entre deux noeuds. Pour indiquer le sens du courant.. 15.10.2018 · activité inversée sur la notion de branche et de noeud dans un circuit en dérivation/identifier un type de circuit électrique même si des appareils de mesure.

Sur le dessin, les noeuds sont repérés par des points noirs. Les branches dérivées (ou secondaires) qui ne contiennent que … Pour indiquer le sens du courant. En électrotechnique comme en électronique, un nœud est le point de connexion électrique entre deux parties d'un circuit électrique 1.en télécommunications et en informatique un nœud est l'endroit ou se rencontrent plusieurs liaisons 2.. En électrotechnique comme en électronique, un nœud est le point de connexion électrique entre deux parties d'un circuit électrique 1.en télécommunications et en informatique un nœud est l'endroit ou se rencontrent plusieurs liaisons 2.

Le courant électrique i total est constant dans un circuit série. Dans une branche de circuit, le courant électrique est susceptible de changer de sens si les propriétés du circuit ou si les réglages sont modifiés. Maille = ensemble de branches formant une boucle fermée en ne passant pas deux fois par le même noeud. Les branches dérivées (ou secondaires) qui ne contiennent que … Pour indiquer le sens du courant.
Maille = ensemble de branches formant une boucle fermée en ne passant pas deux fois par le même noeud. Une branche une branche est une partie du circuit électrique située entre deux nœuds consécutifs. Noeud = point d'interconnexion relié à au moins trois dipôles. Les branches dérivées (ou secondaires) qui ne contiennent que … 15.10.2018 · activité inversée sur la notion de branche et de noeud dans un circuit en dérivation/identifier un type de circuit électrique même si des appareils de mesure. Une branche est une portion de circuit délimitée par deux noeuds. Un circuit éléctrique en dérivation comporte: Le courant électrique i total se partage au nœud a entre les chemins formant les branches:. Un noeud désigne l'intersection d'au moins trois fils de connexion.

Noeud = point d'interconnexion relié à au moins trois dipôles. Il existe la branche principale qui contient le générateur de … 15.10.2018 · activité inversée sur la notion de branche et de noeud dans un circuit en dérivation/identifier un type de circuit électrique même si des appareils de mesure. Pour indiquer le sens du courant. Branche = tronçon de circuit compris entre deux noeuds. Un noeud désigne l'intersection d'au moins trois fils de connexion. Sur le dessin, les noeuds sont repérés par des points noirs.

Noeud = point d'interconnexion relié à au moins trois dipôles. En même temps que son intensité, on convient d'un sens positif pour la branche et … Une branche une branche est une partie du circuit électrique située entre deux nœuds consécutifs. Un circuit éléctrique en dérivation comporte: Un noeud désigne l'intersection d'au moins trois fils de connexion. Le courant électrique i total se partage au nœud a entre les chemins formant les branches:. 15.10.2018 · activité inversée sur la notion de branche et de noeud dans un circuit en dérivation/identifier un type de circuit électrique même si des appareils de mesure.
Le courant électrique i total se partage au nœud a entre les chemins formant les branches: Une branche une branche est une partie du circuit électrique située entre deux nœuds consécutifs. • la branche principale qui est la branche qui contient le générateur du circuit électrique, et • les branches dérivées (ou … En électrotechnique comme en électronique, un nœud est le point de connexion électrique entre deux parties d'un circuit électrique 1.en télécommunications et en informatique un nœud est l'endroit ou se rencontrent plusieurs liaisons 2. Le courant électrique i total se partage au nœud a entre les chemins formant les branches: Noeud = point d'interconnexion relié à au moins trois dipôles. Le courant électrique i total est constant dans un circuit série. I total au point a = i.. Un circuit éléctrique en dérivation comporte:

Dans une branche de circuit, le courant électrique est susceptible de changer de sens si les propriétés du circuit ou si les réglages sont modifiés.. . Un circuit éléctrique en dérivation comporte:
Il existe la branche principale qui contient le générateur de … Dans une branche de circuit, le courant électrique est susceptible de changer de sens si les propriétés du circuit ou si les réglages sont modifiés. 15.10.2018 · activité inversée sur la notion de branche et de noeud dans un circuit en dérivation/identifier un type de circuit électrique même si des appareils de mesure. Noeud = point d'interconnexion relié à au moins trois dipôles. En électrotechnique comme en électronique, un nœud est le point de connexion électrique entre deux parties d'un circuit électrique 1.en télécommunications et en informatique un nœud est l'endroit ou se rencontrent plusieurs liaisons 2. Une branche une branche est une partie du circuit électrique située entre deux nœuds consécutifs. I total au point a = i. En même temps que son intensité, on convient d'un sens positif pour la branche et … Le courant électrique i total se partage au nœud a entre les chemins formant les branches: Un circuit éléctrique en dérivation comporte:. Maille = ensemble de branches formant une boucle fermée en ne passant pas deux fois par le même noeud.

• la branche principale qui est la branche qui contient le générateur du circuit électrique, et • les branches dérivées (ou … • la branche principale qui est la branche qui contient le générateur du circuit électrique, et • les branches dérivées (ou … Noeud = point d'interconnexion relié à au moins trois dipôles. 15.10.2018 · activité inversée sur la notion de branche et de noeud dans un circuit en dérivation/identifier un type de circuit électrique même si des appareils de mesure.

Maille = ensemble de branches formant une boucle fermée en ne passant pas deux fois par le même noeud.. Une branche est une portion de circuit délimitée par deux noeuds.

13.04.2017 · la branche principale qui est la branche comportant le générateur du circuit électrique. Noeud = point d'interconnexion relié à au moins trois dipôles. • la branche principale qui est la branche qui contient le générateur du circuit électrique, et • les branches dérivées (ou … Une branche une branche est une partie du circuit électrique située entre deux nœuds consécutifs. I total au point a = i. Une branche est une portion de circuit délimitée par deux noeuds. 13.04.2017 · la branche principale qui est la branche comportant le générateur du circuit électrique. En électrotechnique comme en électronique, un nœud est le point de connexion électrique entre deux parties d'un circuit électrique 1.en télécommunications et en informatique un nœud est l'endroit ou se rencontrent plusieurs liaisons 2. 15.10.2018 · activité inversée sur la notion de branche et de noeud dans un circuit en dérivation/identifier un type de circuit électrique même si des appareils de mesure.. 15.10.2018 · activité inversée sur la notion de branche et de noeud dans un circuit en dérivation/identifier un type de circuit électrique même si des appareils de mesure.
Un circuit éléctrique en dérivation comporte: Un noeud désigne l'intersection d'au moins trois fils de connexion. Les branches dérivées (ou secondaires) qui ne contiennent que … Le courant électrique i total est constant dans un circuit série. En même temps que son intensité, on convient d'un sens positif pour la branche et … Dans les calculs de circuits électriques, notamment en théorie des réseaux, on définit le nœud comme la « convergence de trois conducteurs ou.. 15.10.2018 · activité inversée sur la notion de branche et de noeud dans un circuit en dérivation/identifier un type de circuit électrique même si des appareils de mesure.

Pour indiquer le sens du courant. Dans une branche de circuit, le courant électrique est susceptible de changer de sens si les propriétés du circuit ou si les réglages sont modifiés. En même temps que son intensité, on convient d'un sens positif pour la branche et … Une branche est une portion de circuit délimitée par deux noeuds. Une branche une branche est une partie du circuit électrique située entre deux nœuds consécutifs. Un noeud désigne l'intersection d'au moins trois fils de connexion. Pour indiquer le sens du courant. Le courant électrique i total est constant dans un circuit série. Dans les calculs de circuits électriques, notamment en théorie des réseaux, on définit le nœud comme la « convergence de trois conducteurs ou. I total au point a = i. Branche = tronçon de circuit compris entre deux noeuds. Les branches dérivées (ou secondaires) qui ne contiennent que …

Le courant électrique i total est constant dans un circuit série. 15.10.2018 · activité inversée sur la notion de branche et de noeud dans un circuit en dérivation/identifier un type de circuit électrique même si des appareils de mesure.. Branche = tronçon de circuit compris entre deux noeuds.
• la branche principale qui est la branche qui contient le générateur du circuit électrique, et • les branches dérivées (ou … Le courant électrique i total se partage au nœud a entre les chemins formant les branches: En électrotechnique comme en électronique, un nœud est le point de connexion électrique entre deux parties d'un circuit électrique 1.en télécommunications et en informatique un nœud est l'endroit ou se rencontrent plusieurs liaisons 2. Un circuit éléctrique en dérivation comporte: Maille = ensemble de branches formant une boucle fermée en ne passant pas deux fois par le même noeud.. Un noeud désigne l'intersection d'au moins trois fils de connexion.
Branche = tronçon de circuit compris entre deux noeuds.. Branche = tronçon de circuit compris entre deux noeuds. Maille = ensemble de branches formant une boucle fermée en ne passant pas deux fois par le même noeud.
I total au point a = i. En électrotechnique comme en électronique, un nœud est le point de connexion électrique entre deux parties d'un circuit électrique 1.en télécommunications et en informatique un nœud est l'endroit ou se rencontrent plusieurs liaisons 2. Un noeud désigne l'intersection d'au moins trois fils de connexion. Branche = tronçon de circuit compris entre deux noeuds. Une branche est une portion de circuit délimitée par deux noeuds.. 13.04.2017 · la branche principale qui est la branche comportant le générateur du circuit électrique.
Sur le dessin, les noeuds sont repérés par des points noirs. . I total au point a = i.

Dans une branche de circuit, le courant électrique est susceptible de changer de sens si les propriétés du circuit ou si les réglages sont modifiés. Dans une branche de circuit, le courant électrique est susceptible de changer de sens si les propriétés du circuit ou si les réglages sont modifiés. Branche = tronçon de circuit compris entre deux noeuds. Les branches dérivées (ou secondaires) qui ne contiennent que … 13.04.2017 · la branche principale qui est la branche comportant le générateur du circuit électrique. Sur le dessin, les noeuds sont repérés par des points noirs. 15.10.2018 · activité inversée sur la notion de branche et de noeud dans un circuit en dérivation/identifier un type de circuit électrique même si des appareils de mesure. Les branches dérivées (ou secondaires) qui ne contiennent que …

Le courant électrique i total est constant dans un circuit série... . Le courant électrique i total est constant dans un circuit série.

15.10.2018 · activité inversée sur la notion de branche et de noeud dans un circuit en dérivation/identifier un type de circuit électrique même si des appareils de mesure.. • la branche principale qui est la branche qui contient le générateur du circuit électrique, et • les branches dérivées (ou … Noeud = point d'interconnexion relié à au moins trois dipôles. Un circuit éléctrique en dérivation comporte: Le courant électrique i total est constant dans un circuit série.

Dans les calculs de circuits électriques, notamment en théorie des réseaux, on définit le nœud comme la « convergence de trois conducteurs ou. I total au point a = i. Sur le dessin, les noeuds sont repérés par des points noirs. Maille = ensemble de branches formant une boucle fermée en ne passant pas deux fois par le même noeud. 15.10.2018 · activité inversée sur la notion de branche et de noeud dans un circuit en dérivation/identifier un type de circuit électrique même si des appareils de mesure. Les branches dérivées (ou secondaires) qui ne contiennent que … Dans une branche de circuit, le courant électrique est susceptible de changer de sens si les propriétés du circuit ou si les réglages sont modifiés. En électrotechnique comme en électronique, un nœud est le point de connexion électrique entre deux parties d'un circuit électrique 1.en télécommunications et en informatique un nœud est l'endroit ou se rencontrent plusieurs liaisons 2. Le courant électrique i total se partage au nœud a entre les chemins formant les branches: Une branche une branche est une partie du circuit électrique située entre deux nœuds consécutifs.

Une branche est une portion de circuit délimitée par deux noeuds.. En même temps que son intensité, on convient d'un sens positif pour la branche et … Sur le dessin, les noeuds sont repérés par des points noirs. I total au point a = i.. I total au point a = i.

Sur le dessin, les noeuds sont repérés par des points noirs. Dans les calculs de circuits électriques, notamment en théorie des réseaux, on définit le nœud comme la « convergence de trois conducteurs ou. 13.04.2017 · la branche principale qui est la branche comportant le générateur du circuit électrique. En électrotechnique comme en électronique, un nœud est le point de connexion électrique entre deux parties d'un circuit électrique 1.en télécommunications et en informatique un nœud est l'endroit ou se rencontrent plusieurs liaisons 2. • la branche principale qui est la branche qui contient le générateur du circuit électrique, et • les branches dérivées (ou … Une branche une branche est une partie du circuit électrique située entre deux nœuds consécutifs. Il existe la branche principale qui contient le générateur de …

Une branche une branche est une partie du circuit électrique située entre deux nœuds consécutifs.. Noeud = point d'interconnexion relié à au moins trois dipôles. En même temps que son intensité, on convient d'un sens positif pour la branche et … Le courant électrique i total se partage au nœud a entre les chemins formant les branches: En électrotechnique comme en électronique, un nœud est le point de connexion électrique entre deux parties d'un circuit électrique 1.en télécommunications et en informatique un nœud est l'endroit ou se rencontrent plusieurs liaisons 2. 13.04.2017 · la branche principale qui est la branche comportant le générateur du circuit électrique. Une branche est une portion de circuit délimitée par deux noeuds. Le courant électrique i total est constant dans un circuit série.

Le courant électrique i total se partage au nœud a entre les chemins formant les branches:.. Maille = ensemble de branches formant une boucle fermée en ne passant pas deux fois par le même noeud. Branche = tronçon de circuit compris entre deux noeuds. Noeud = point d'interconnexion relié à au moins trois dipôles.
Un circuit éléctrique en dérivation comporte:.. I total au point a = i. Le courant électrique i total est constant dans un circuit série. En même temps que son intensité, on convient d'un sens positif pour la branche et … Dans une branche de circuit, le courant électrique est susceptible de changer de sens si les propriétés du circuit ou si les réglages sont modifiés. Un circuit éléctrique en dérivation comporte:. Branche = tronçon de circuit compris entre deux noeuds.

Un noeud désigne l'intersection d'au moins trois fils de connexion. Une branche est une portion de circuit délimitée par deux noeuds. Dans une branche de circuit, le courant électrique est susceptible de changer de sens si les propriétés du circuit ou si les réglages sont modifiés. Une branche une branche est une partie du circuit électrique située entre deux nœuds consécutifs. Dans les calculs de circuits électriques, notamment en théorie des réseaux, on définit le nœud comme la « convergence de trois conducteurs ou. 13.04.2017 · la branche principale qui est la branche comportant le générateur du circuit électrique. Sur le dessin, les noeuds sont repérés par des points noirs. Un circuit éléctrique en dérivation comporte:
• la branche principale qui est la branche qui contient le générateur du circuit électrique, et • les branches dérivées (ou …. Dans les calculs de circuits électriques, notamment en théorie des réseaux, on définit le nœud comme la « convergence de trois conducteurs ou.. Sur le dessin, les noeuds sont repérés par des points noirs.
Maille = ensemble de branches formant une boucle fermée en ne passant pas deux fois par le même noeud.. Branche = tronçon de circuit compris entre deux noeuds.. Pour indiquer le sens du courant.
Branche = tronçon de circuit compris entre deux noeuds. Noeud = point d'interconnexion relié à au moins trois dipôles. Un circuit éléctrique en dérivation comporte: 13.04.2017 · la branche principale qui est la branche comportant le générateur du circuit électrique. Pour indiquer le sens du courant. Il existe la branche principale qui contient le générateur de …. Pour indiquer le sens du courant.

Il existe la branche principale qui contient le générateur de ….. En électrotechnique comme en électronique, un nœud est le point de connexion électrique entre deux parties d'un circuit électrique 1.en télécommunications et en informatique un nœud est l'endroit ou se rencontrent plusieurs liaisons 2. 15.10.2018 · activité inversée sur la notion de branche et de noeud dans un circuit en dérivation/identifier un type de circuit électrique même si des appareils de mesure. Il existe la branche principale qui contient le générateur de … Il existe la branche principale qui contient le générateur de …

Le courant électrique i total est constant dans un circuit série. • la branche principale qui est la branche qui contient le générateur du circuit électrique, et • les branches dérivées (ou … Branche = tronçon de circuit compris entre deux noeuds. 15.10.2018 · activité inversée sur la notion de branche et de noeud dans un circuit en dérivation/identifier un type de circuit électrique même si des appareils de mesure. Dans les calculs de circuits électriques, notamment en théorie des réseaux, on définit le nœud comme la « convergence de trois conducteurs ou. Il existe la branche principale qui contient le générateur de … Une branche une branche est une partie du circuit électrique située entre deux nœuds consécutifs. Dans une branche de circuit, le courant électrique est susceptible de changer de sens si les propriétés du circuit ou si les réglages sont modifiés. Le courant électrique i total se partage au nœud a entre les chemins formant les branches: I total au point a = i.. Les branches dérivées (ou secondaires) qui ne contiennent que …

Le courant électrique i total se partage au nœud a entre les chemins formant les branches: Il existe la branche principale qui contient le générateur de … Noeud = point d'interconnexion relié à au moins trois dipôles. Une branche une branche est une partie du circuit électrique située entre deux nœuds consécutifs. Une branche est une portion de circuit délimitée par deux noeuds. • la branche principale qui est la branche qui contient le générateur du circuit électrique, et • les branches dérivées (ou … Maille = ensemble de branches formant une boucle fermée en ne passant pas deux fois par le même noeud. En même temps que son intensité, on convient d'un sens positif pour la branche et …
